WST-WG2WG communication converter is low-cost solution of Wiegand splitter where need change 2CH Wiegand input to 1CH Wiegand output, or change 1CH Wiegand input to 2CH Wiegand output. The TTL port can be used for program burning and command setting, etc.The converter support double-way transmission, it is available for all wiegand bit format.
Product Description
WST-WG2WG communication converter is low-cost solution of Wiegand splitter where need change 2CH Wiegand input to 1CH Wiegand output, or change 1CH Wiegand input to 2CH Wiegand output. The TTL port can be used for program burning and command setting, etc.The converter support double-way transmission, it is available for all wiegand bit format.
Parameters
Wiring diagram
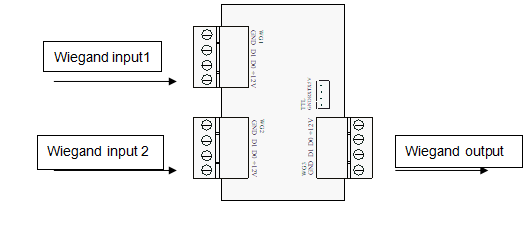
2 channel wiegand input 1 channel wiegand output
1 channel wiegand input to 2 channel wiegand output
TTL port:
Used for update the program,send commands setup,and viewing the raw data when wiegand output, communication parameters: 115200BPS,N,8,1
Command setting
Setting for the transmission mode
Communication parameters: 115200BPS, N ,8 , 1
Set to 1 channel wiegand input 2 channel wiegand output mode
Send following command for 3 times through PC:
Send: a5 53 45 54 01 01 01 01 01 01 01 01 01 0d 0a 5a
Return: a5 53 45 54 01 01 01 01 01 01 01 01 01 0d 0a 5a
Set to 2 channel wiegand input 1 channel wiegand output mode
Send following commands for 3 times through PC:
Send: A5 53 45 54 01 02 02 02 02 02 02 02 02 0D 0A 5A
Return: A5 53 45 54 01 02 02 02 02 02 02 02 02 0D 0A 5A
Resetting device
Communication parameters: 115200BPS, N ,8 , 1
send following command for 1 time through PC
Send: A5 53 45 54 01 FF FF FF FF FF FF FF FF 0D 0A 5A
return: A5 53 45 54 01 FF FF FF FF FF FF FF FF 0D 0A 5A
The device is reset immediately after returned.
Application
Standard mode of this series converter support 2CH Wiegand reader input (WG1 and WG2), 1CH Wiegand reader output (WG3). Popular application for use 4 door access control, for example, some 4 door access controller have only 1CH Wiegand interface for each door, when customer request install 2 Wiegand RFID card reader at each side of the door, can use this Wiegand to Wiegand converter as communication splitter to change 1CH Wiegand interface to 2CH Wiegand interface, so finally 4door access controller can connect 8pcs of Wiegand RFID reader. Another typical application is connect 1pc of Wiegand RFID card reader (1CH Wiegand output) with 2pcs of access controller, for example 1pc of Wiegand RFID reader connect to access controller Wiegand input interface and also connect to face identify machine Wiegand input interface.